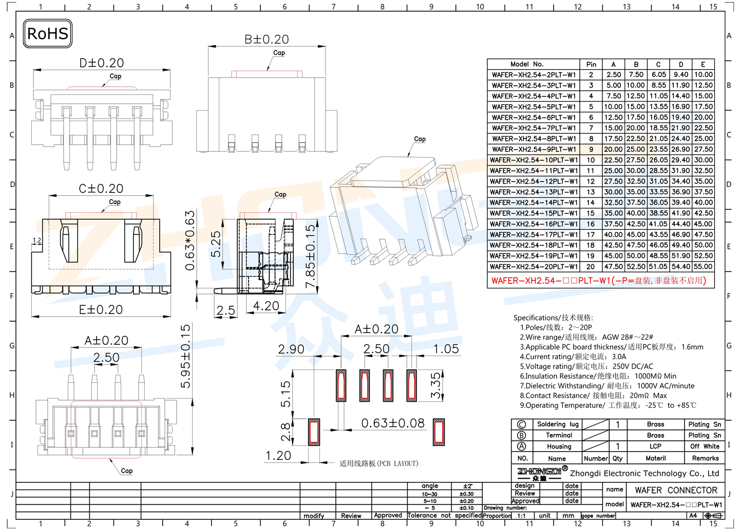
产品型号:WAFER-XH2.54-□□PLT-W1-P 2.54mm间距立贴针座
位数类型:2P~16P技术参数:额定电流:3.0A额定电压:250V DC/AC接触电阻(初始值):≤100mΩ绝缘电阻(常态): ≥100MΩ耐焊温度:260±5℃ 5S工作环境温度:-25℃~+85℃使用湿度: ≤85% RH产品认证:ROHS
WAFER-SUR0.8-□□PLT-W1-P
WAFER-SUR0.8-□□PWT-W1-P
WAFER-SH1.0-□□PLT-W1-P
WAFER-SH1.0-□□PWT-W1-P
咨询
QQ
返回顶部